全国同城空降快餐品茶_全国高端外围安排_全国空降平台官网入口_全国900城市空降24小时
首页
关于旭友
产品中心
新闻中心
人才招聘
联系我们
防伪查询
中文
|
English
当前位置:
首页
-
新闻中心
-
环境检测报告
公司新闻
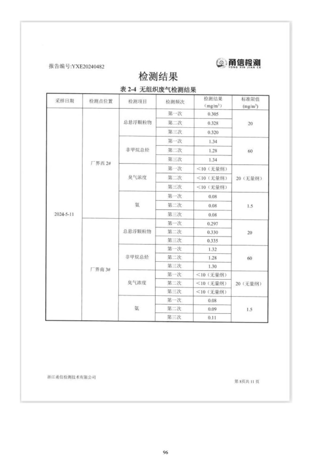
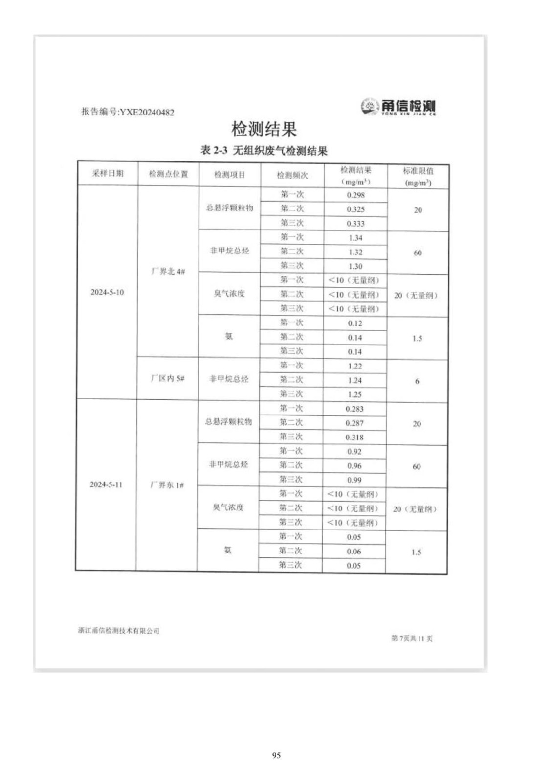
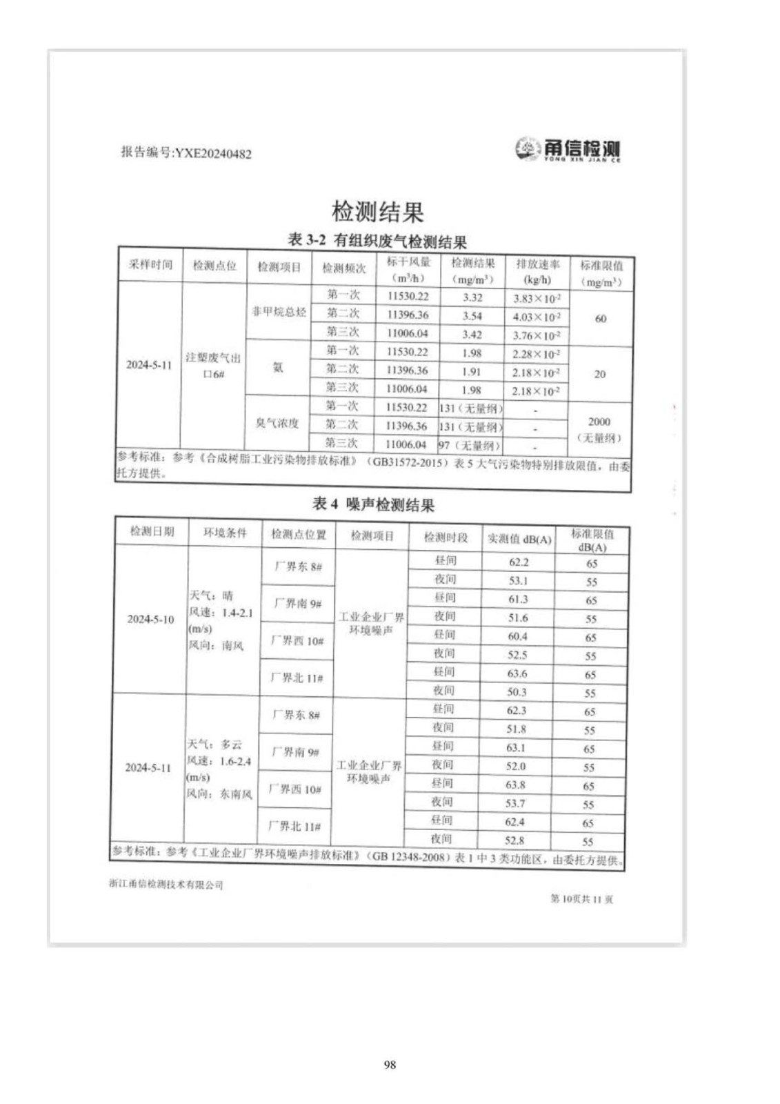
环境检测报告
发布时间:2025-09-28
主站蜘蛛池模板:
郎溪县
|
大英县
|
义马市
|
咸丰县
|
崇仁县
|
和静县
|
阿克苏市
|
永康市
|
怀远县
|
长岛县
|
云林县
|
宜兴市
|
扬州市
|
凤台县
|
鄂尔多斯市
|
岑巩县
|
永川市
|
阿鲁科尔沁旗
|
安乡县
|
汶川县
|
勃利县
|
深圳市
|
永宁县
|
嘉兴市
|
鄂托克前旗
|
荆门市
|
沿河
|
富民县
|
阳西县
|
乐平市
|
花莲县
|
平江县
|
临汾市
|
锦州市
|
博罗县
|
乃东县
|
苍南县
|
永修县
|
岑巩县
|
友谊县
|
沙河市
|